Welche Herausforderungen das 48-Volt-Bordnetz stellt
Heute ziehen ganze Heerscharen von elektrischen Verbrauchern jede Menge Strom aus der Batterie. Damit das 12-V-Bordnetz nicht schlapp macht, wird nun immer öfter ein zweites Netz mit 48 VDC installiert.
Anbieter zum Thema

Die Idee einer höheren Bordnetzspannung in Automobilen ist nicht neu. Bereits in den 1990er Jahren wurde aus Angst, das 12-V-Bordnetz würde unter der Last der immer zahlreicheren elektrischen Verbraucher in die Knie gehen, ein 42-V-Konsortium ins Leben gerufen. Aufgrund fehlender Standards konnte sich dieser Ansatz jedoch nicht durchsetzen. Nun aber soll alles anders werden.
Strom wurde früher in Automobilen nur wenig benötigt. Sie liefen hauptsächlich mechanisch. Elektrische Fensterheber? Die gab es nicht. Dafür musste eine manuell zu bedienende Kurbel herhalten. Heute ziehen ganze Heerscharen von elektrischen Verbrauchern wie Sitzheizung, Komfort- und Assistenzsysteme jede Menge Strom aus der Batterie. In einem 12-V-Bordnetz müssen somit immer höhere Ströme fließen. Damit dieses Bordnetz nicht kapituliert, installieren Hersteller nun parallel ein zweites, stärkeres Netz im Auto mit 48 Volt Gleichspannung.
Das 48 VDC-Bordnetz erleichtert die Hybridisierung
Während das 42-V-Konsortium in den 1990er Jahren noch bemüht war, die von der zumeist zahlungskräftigen Klientel geforderten Komfort- und Fahrassistenzsysteme in Oberklassefahrzeugen zu versorgen, ist der Gedanke hinter einer höheren Bordnetzspannung heute ein anderer. Die von der Europäischen Kommission geforderten CO2-Grenzwerte lassen sich bei Fahrzeugen mit konventionellen Verbrennungsmotoren (Benzin, Diesel) kaum mehr erreichen. Alternative Antriebskonzepte wie rein elektrisch betriebene oder Hybrid-Pkw sind aufgrund von Spannungen über 60 VDC mit großen technischen Herausforderungen verbunden. Ein Bordnetz mit 48 VDC bietet die Möglichkeit, eine einfachere Hybridisierung schnell und kosteneffizient zur Marktreife zu bringen und den Schadstoffausstoß unterhalb der gesetzlicher Grenzwerte zu halten.
Das neue 48-VDC-System ersetzt das bisherige mit 12 VDC nicht. Es ergänzt es. Viele bewährte Komponenten im Fahrzeug können bestens mit 12 VDC betrieben werden, was einen kompletten Umstieg auf höhere Spannungen unnötig teuer machen würde. Nicht alle elektrischen Verbraucher werden also künftig auf die höhere Spannung umgerüstet. Der Hauptgrund liegt unter anderem an der Verfügbarkeit der Komponenten, die entweder ausschließlich für 12 VDC ausgelegt oder aber als 48-VDC-Variante klar teurer sind. Zudem benötigen viele elektrische Verbraucher nur wenig Leistung und sind im 12-VDC-Bordnetz gut aufgehoben.
Insellösung oder kombiniertes Bordnetz?
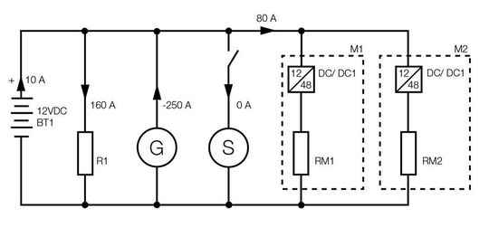
Die Integration von einem 48-VDC-Bordnetz kann durch zwei verschiedene Konzepte erreicht werden. Bei einer „Insellösung“ kommt es durch den Einsatz von beispielsweise elektrischen Turboladern oder Wankstabilisatoren zu kurzzeitigem sehr hohem Leistungsbedarf, welcher vom 12-VDC-Netz nicht mehr gedeckt werden kann. Daher werden 48-VDC-Lithiumionen-Akkus oder Superkondensatoren über einen unidirektionalen DC/DC-Wandler aus dem 12-VDC-Netz versorgt. Diese Lösung stellt die einfachste Umsetzung dar. Sie hat aber keinen Einfluss auf den Schadstoffausstoß oder den Kraftstoffverbrauch, da die Energie konventionell über eine Lichtmaschine zur Verfügung gestellt wird.
Beim sogenannt „kombinierten Netz“ erfolgt im Gegensatz zur Insellösung der Energietransfer in umgekehrter Richtung. Ein uni- oder bidirektionaler DC/DC-Wandler versorgt die 12-VDC-Seite aus dem 48-VDC-Netz. Dieses ist mit dem Starter-Generator, einer geregelten elektrischen Maschine, verbunden, und startet den Motor. Bei laufendem Verbrenner versorgt die elektrische Maschine das 48-VDC-Bordnetz.
Der notwendige Aufwand hält sich in Grenzen
Die 48-VDC-Technologie lässt sich also mit vertretbarem Aufwand in die Architektur konventionell angetriebener Fahrzeuge integrieren und bietet Funktionen, die bisher nur bei Hochvolt-Hybridsystemen mit 300 bis 400 VDC zu finden sind. Dazu zählen etwa das Abschalten des Verbrennungsmotors während der Fahrt (das sogenannte „Segeln“), ein sehr schneller Motorstart (Start-Stopp-Systeme) und eine effiziente Bremsenergie-Rückgewinnung (Rekuperation).
Auch an anderer Stelle hilft das stärkere Bordnetz mit 48 VDC beim Sparen. Diverse Nebenaggregate, die bisher in der Regel vom Motor unter Kraftstoffeinsatz angetrieben werden mussten, können so leichter elektrisch betrieben werden und dann nur noch bei Bedarf laufen. Dazu gehören etwa die Servolenkung oder die Kühlmittelpumpe.
Ein 48-VDC-Hybridsystem bietet somit hervorragende Möglichkeiten zur Verbrauchs- und CO2-Reduzierung bei überschaubaren Kosten.
Welche Vorteile das zusätzliche 48-VDC-Bordnetz bietet
Ein grundlegender Vorteil eines 48-VDC-Bordnetzes ist der geringere Verlust bei der Energieübertragung aufgrund kleinerer Ströme bei identischer Leistung. Daraus resultiert ein erhebliches Einsparpotential bei der Auslegung der elektrischen Leiterquerschnitte, was sich bei den Unmengen an verbauten Kabeln in modernen Fahrzeugen positiv im Gewicht niederschlägt.
Das 48-VDC-Bordnetz ermöglicht auch eine wirtschaftliche Energierückgewinnung und Speicherung während der Bremsvorgänge (Rekuperation). Hierbei arbeitet die elektrische Maschine als Generator. Bei hohem Drehmoment- und/ oder Leistungsbedarf kann dieses System aber ebenso den Verbrennungsmotor unterstützen, indem die elektrische Maschine in umgekehrter Richtung als Elektromotor versorgt aus dem 48-VDC-Akku arbeitet. Dieser Vorgang wird auch als „Booster“ bezeichnet. Durch eine vollständige Entkopplung des Verbrennungsmotors vom Bordnetz kann dieser sogar während der Fahrt komplett abgeschaltet werden. Im Gegensatz zum konventionellen Leerlauf entstehen beim sogenannten „Segeln“ keinerlei Verluste im Verbrennungsmotor. Hierdurch kann eine deutliche Kraftstoffeinsparung erzielt werden.

Herausforderungen des 48-V-Bordnetzes
Da das gängige 12-VDC-Bordnetz weitgehend bis 60 VDC, der sogenannten SELV-Spannung (Safety Extra Low Voltage), spezifiziert ist, lassen sich viele Kabel- und Steckkomponenten unter Berücksichtigung der Luft- und Kriechstrecken übernehmen. An lastführenden Trennstellen steigt jedoch die Gefahr von Lichtbögen aufgrund dessen ein Öffnen des Kontaktes unter Last verhindert werden muss. Unter Umständen ist auch eine Lichtbogenerkennung erforderlich. Selbst eine Elektrolyse beim Eintritt von elektrolythaltiger Flüssigkeit kann problematisch werden, was einen entsprechenden Schutz vor Feuchtigkeit notwendig macht.

Für das 48-V-Bordnetz sind neue Komponenten nötig
Die Anhebung des Bordnetzes auf 48 VDC erfordert einige neue elektrische Komponenten. Im Gegensatz zum 12-VDC-Generator, müssen die 48-VDC-Maschinen zusätzlich als elektrischer Motor fungieren. Zu unterscheiden sind hier verschiedene synchrone sowie asynchrone elektrische Maschinen. Sowohl Drehmoment, Wirkungsgrad als auch Leistungsdichte variieren in Abhängigkeit der Ein- und Ausgangsparameter, so dass in der Praxis vermutlich verschiedene Konzepte Anwendung finden.
Der Inverter, ein bidirektionaler Wechselrichter, wandelt im Generatorbetrieb der elektrischen Maschine die Wechselspannung in Gleichspannung und umgekehrt im Falle einer Anwendung als Elektromotor die Gleichspannung in Wechselspannung. DC/DC-Wandler bilden die Schnittstelle zwischen 12- und 48-VDC-Bordnetz. In der Regel arbeitet der DC/DC-Wandler als Abwärtswandler und lädt die 12-VDC-Batterie. Ausnahmen bilden der Einsatz im Fahrzeug mit obengenannter en beiden Spannungsebenen ein bidirektionaler DC/DC-Wandler, da Lithiumionen-Batterien nicht kaltstartfähig sind. Deshalb ist eine Fremdstarthilfe in Form einer kleinen Starterbatterie im 12-VDC-Bordnetz praktisch obligatorisch. In diesem Fall arbeitet der Wandler als Aufwärtswandler.
Last but not least: Der 48-VDC-Akku benötigt für einen sicheren Betrieb ein Batteriemanagementsystem (Application Note „Battery Balancing“ [1]). Dieses sorgt für ein Angleichen der Einzelzellspannungen, überwacht die Temperatur und den Ladezustand und übernimmt die Kommunikation mit den Steuergeräten.

Die EMV gewinnt bei 48 V an Bedeutung
Aufgrund dieser geballten Ladung an Elektronik und der erhöhten Leistungen muss auch dem Thema EMV größte Beachtung zukommen. Die Leistungsdichte und die Anzahl involvierter Systeme wird immer größer, und die daraus entstehenden Probleme elektromagnetischer Art sind vorprogrammiert. Dies gilt sowohl für die Emissionen einzelner Baugruppen wie auch für die Immissionen durch andere. Die korrekte Funktion aller Komponenten hat einen essentiellen Einfluss auf die Sicherheit. Nicht nur auf jene der Fahrzeuginsassen, sondern auch jene anderer Verkehrsteilnehmer.
Ein gemäß IATF 16949 zertifizierter Partner
Schurter ist zertifiziert nach IATF16949 und bedient eine Vielzahl von Kunden mit Sicherungen, welche nach AEC-Q200 (White Paper AEC-Q200) für verschiedenste Applikationen (Battery Management, Klimaregelung, motornahe Elektronik für Diesel/Benziner u.v.m.) geprüft wurden. Abermillionen von Sicherungen zum Schutz vor Überstrom und Übertemperatur (Thermischer Schutz) sind weltweit im Einsatz. Die enge Vernetzung mit internationalen Automotive-Organisationen und der Industrie selbst machen Schurter zum kompetenten Ansprechpartner für alle Fragen rund um die Absicherung von Elektronik im Automobilbau (Automobiltechnik). Darüber hinaus verfügt Schurter über ein Kompetenzzentrum für EMV-Lösungen, welche für industrielle und medizinische Anwendungen seit Jahrzehnten maßgeschneiderte Lösungen entwickelt.
48-V-Systeme: Überlegungen zum Design eines Hilfswechselrichters
Elektronische Absicherung von Fahrzeugbordnetzen bis 48 V
Autobauer gehen auf 48-V- Mild-Hybrid-Systeme über
(ID:45514949)