Warum Sie bei diskreten LED-Schaltungen auf die Bremse treten sollten
Bei Kfz-Beleuchtungen werden LED-Schaltungen meist mit diskreten Bauelementen wie etwa bipolaren Sperrschichttransistoren implementiert. Doch ist ein diskretes Design auch bei einer höheren Anzahl an LEDs sinnvoll oder handelt es sich um eine Fehleinschätzung?
Anbieter zum Thema

LEDs werden stromgeregelt angesteuert, was mit einem Transistor am einfachsten geht. Solche transistorbasierten Schaltungen sind die grundlegenden Baugruppen, die sich beliebig vervielfältigen lassen, um in einem Projekt jede denkbare Anzahl an LEDs zu treiben (siehe Bild 1).

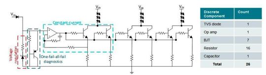
In Projekten, in denen sehr viele LEDs vorkommen oder in denen hoch gesteckte Anforderungen zu erfüllen sind, wirkt das Schaltungsdesign nicht nur unübersichtlich, sondern erfordert auch eine komplexe Analyse. Mit den vielen BJTs, die zur Ansteuerung der zahlreichen LEDs benötigt werden, können die Spezifikationen für eine Heckleuchten-Kombination ungefähr so aussehen, wie es in Tabelle 1 exemplarisch gezeigt ist.

Bei einer großen Zahl von Bauelementen, wie sie die beispielhafte Heckleuchten-Kombination in Bild 2 aufweist, nehmen die Design- und Fertigungsrisiken zu, sodass es nicht ohne eine sorgfältige Analyse der Schaltung geht.

Diskrete Designs sind zuverlässig
Eine betriebssichere LED-Schaltung muss Spannungs-, Strom- und Temperaturschwankungen berücksichtigen. Sobald die Vorwärtsspannung einer LED erreicht ist, beginnt ein Strom zu fließen, und durch Verändern des Stroms lässt sich die Helligkeit proportional variieren. Eine geringfügige Erhöhung über die Vorwärtsspannung hinaus lässt jedoch den LED-Strom exponentiell ansteigen, und ein zu hoher Vorwärtsstrom kann sogar zur Beschädigung der LED führen.
Auch die Leistungsaufnahme und die Entwärmung müssen analysiert werden. Zu den Faktoren, die zur Wärmeentwicklung beitragen, gehören eine unzureichende Effizienz der Schaltung, die Dauer der LED-Einschaltzeit und/oder eine warme Umgebung. Mangelhafte thermische Eigenschaften sorgen dafür, dass die LED zu viel Strom aufnimmt, wodurch sich ihre Eigenschaften verschlechtern.
Feedback-Schaltungen zur Diagnose von Stromkreisunterbrechungen oder Kurzschlüssen in den LEDs verbessern die Zuverlässigkeit des Systems. Auch wenn solche Schaltungen zusätzliche Bauelemente erfordern, bietet sie doch auch Vorteile. Wenn beispielsweise eine LED in einer Heckleuchten-Kombination ausfällt, entspricht die Helligkeit der Leuchteinheit nicht mehr den Vorschriften. Das entsprechende Steuergerät (Body Control Module, BCM) aber hat möglicherweise Schwierigkeiten, zwischen einer regulären LED-Last und einem einzigen ausgefallenen Modul in einer Leuchteinheit zu unterscheiden (siehe Bild 3). Mit einer OFAF-Schaltung lässt sich erreichen, dass im Fall einer defekten LED alle LEDs abgeschaltet werden, was das Detektieren einer Stromkreisunterbrechung vereinfacht. Durch die OFAF-Implementierung wird außerdem eine weitere Beeinträchtigung der LEDs verhindert.

Die LED-Schaltung muss im Interesse der elektromagnetischen Verträglichkeit (EMV) die einschlägigen EMI-Normen und BCI-Standards (Bulk Current Injection) erfüllen. Würde man den EMV-Aspekt außer Acht lassen, könnte das LED-Treibermodul andere Applikationen stören oder von anderen Anwendungen gestört werden, was nachteilige Auswirkungen auf die Nutzererfahrung der Autofahrer hätte.
Diskrete Designs sind kostengünstig
Obwohl es sich bei BJTs um billige Massenartikel handelt, summieren sich die Bauteil- und Systemkosten doch auf, wenn für ein LED-System Dutzende oder gar Hunderte dieser Bauteile benötigt werden. Berücksichtigt man außerdem die Ressourcen, die für das Design, das Debugging und die Montage aufgewendet werden müssen, so wird deutlich, wie sich mit einer integrierten LED-Treiberlösung Zeit und Geld sparen lässt.
Lineare LED-Treiber-ICs gibt es von einkanaligen Versionen für allgemeine Anwendungen bis zu mehrkanaligen Ausführungen für besondere Funktionen. Wie Bild 4 verdeutlicht, kann eine integrierte Lösung wie der TPS92611-Q1 mehrere BJTs und weitere diskrete Bauteile aus der in Bild 2 gezeigten Schaltung ersetzen.

Optional: Das Design kann durch passive Bauelemente aufgewertet werden – beispielsweise durch einen Widerstandsteiler für die PWM-Eingangsstufe.
Abgesehen von der Senkung des Bauteileaufwands und der Systemkosten stellen lineare LED-Treiber einen Konstantstrom-Ausgang mit geringer Dropout-Spannung zur Verfügung und ermöglichen ein Einstellen der Helligkeit über den analogen Strom oder per PWM-Dimmung. Der thermische Schutz und die Erkennung von Kurzschlüssen und Stromkreisunterbrechungen sorgen für solide Performance, und über einen OFAF-Fehlerbus lassen sich alle Bauelemente verbinden, um die Zuverlässigkeit des Systems zu gewährleisten. Ebenso wie andere lineare Treiber überzeugt der TPS92611-Q1 gegenüber diskreten Lösungen durch attraktive EMV-Eigenschaften.
Ein LED-Treiber-IC stellt eine kosteneffektive Alternative zu diskreten Schaltungen dar – besonders in Anwendungen mit sehr vielen LEDs oder komplexen Anforderungen. Die Einfachheit des Designs, die große Zuverlässigkeit und die wettbewerbsfähigen Kosten sind triftige Gründe, bei den diskreten Schaltungen auf die Bremse zu treten und umgehend auf eine integrierte lineare LED-Treiberlösung umzusteigen.
Design eines Tagfahrlicht-Systems (1) – One-Fail-All-Fail-LED-Fehlererkennung
Design eines Tagfahrlicht-Systems (2) – Reaktion auf LED-Fehler
* Kathrina Macalanda ist als Product Marketing Engineer für Texas Instruments tätig.
(ID:46068055)