Power-Tipp
Functional-Safety-konforme Abwärtsregler für die Stromversorgung von ADAS-Prozessoren

Von Kristin Rinortner 3 min Lesedauer

Anbieter zum Thema

ADAS stützt sich auf leistungsfähige Prozessoren zur Objekterkennung und Sensorfusion. Welche Herausforderungen moderne Fahrerassistenzsysteme für das Power Management bergen (und welche Lösungen es gibt), erläutert dieser Power-Tipp.

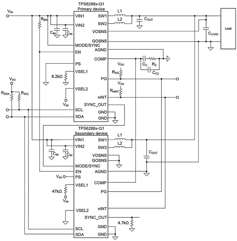
Bild 1: 
Zwei für ADAS optimierte Abwärtswandler des Typs TPS62883-Q1 in kaskadierter Konfiguration.(Bild:  TI)
Bild 1: 
Zwei für ADAS optimierte Abwärtswandler des Typs TPS62883-Q1 in kaskadierter Konfiguration.
(Bild: TI)

Die Weiterentwicklung der Fahrassistenzsysteme (Advanced Driver Assistance Systems, ADAS) macht eine immer komplexere und umfangreichere Echtzeit-Datenverarbeitung erforderlich. Aus diesem Grund werden leistungsfähige Prozessoren für die Objekterkennung, Sensorfusion und Entscheidungsfindung benötigt, was wiederum neue Herausforderungen für das Power Management mit sich bringt.

Ein Vorregler wandelt die Bordnetzspannung von 12, 24 oder 48 V zunächst in eine niedrigere Spannung um, aus der Point-of-Load-Abwärtswandler (PoL) gespeist werden, die den Prozessoren die für eine optimale Funktion nötigen präzisen Spannungen zur Verfügung stellen.

Jetzt Newsletter abonnieren

Verpassen Sie nicht unsere besten Inhalte

Mit Klick auf „Newsletter abonnieren“ erkläre ich mich mit der Verarbeitung und Nutzung meiner Daten gemäß Einwilligungserklärung (bitte aufklappen für Details) einverstanden und akzeptiere die Nutzungsbedingungen. Weitere Informationen finde ich in unserer Datenschutzerklärung. Die Einwilligungserklärung bezieht sich u. a. auf die Zusendung von redaktionellen Newslettern per E-Mail und auf den Datenabgleich zu Marketingzwecken mit ausgewählten Werbepartnern (z. B. LinkedIn, Google, Meta).

Aufklappen für Details zu Ihrer Einwilligung