Welches Layout für einen mehrkanaligen Abwärtswandler bietet bessere EMI-Eigenschaften?
Designer setzen in Automotive-Systemen häufig mehrere Abwärts-Gleichspannungswandler (Buck Converters) ein, um die verschiedenen benötigten Versorgungsspannungen bereitzustellen. Doch welches Leiterplatten-Layout ist für einen zweikanaligen Abwärtswandler die bessere Variante??
Anbieter zum Thema

Bei der Wahl eines geeigneten Abwärtswärtswandlers zur Sicherstellung der diversen Versorgungsspannungen müssen Automotive-System-Designer diverse Aspekte beachten. Zum Beispiel müssen für Infotainment-Systeme und Head Units im Auto Gleichspannungswandler mit hoher Schaltfrequenz (über 2 MHz) verwendet werden, um Störungen des AM-Radioempfangs auszuschließen. Außerdem sind durch die Wahl kleinerer Induktivitäten die Lösungsabmessungen zu reduzieren. Hinzu kommt, dass Abwärtswandler, die mit höherer Frequenz schalten, zur Verringerung der eingangsseitigen Stromwelligkeit beitragen, sodass sich die Größe der EMI-Filter am Eingang reduzieren lässt.
Die Einhaltung der einschlägigen EMI-Normen ist von entscheidender Bedeutung für ODMs (Original Design Manufacturers) im Automobilbereich, die stets bestrebt sind, die neuesten Systeme für Autos zu produzieren. Die Vorgaben sind hier sehr streng, und die Hersteller müssen Normen wie z. B. CISPR 25 (Comité International Spécial des Perturbations Radioélectriques) erfüllen. In vielen Fällen können Automobilhersteller ein Design nicht akzeptieren, wenn es diesen Standard nicht erfüllt. Entscheidend ist also die Wahl des richtigen Layouts für einen Gleichspannungswandler. Ganz besonders aber geht es beim Erreichen guter EMI-Eigenschaften um die Optimierung der von einem hohen Strom durchflossenen Schleife.
Am Beispiel des Abwärtswandlers LMR14030-Q1 zeigen die Bilder 1 und 2 zwei verschiedene Leiterplatten-Layouts für einen zweikanaligen Abwärtswandler. Der Verlauf der Leistungs-Schleife im Layout ist rot gekennzeichnet. Während in Bild 1 ein U-förmiger Verlauf erkennbar ist, fließt der Strom in Bild 2 geradeaus in Form eines I. Beide Layouts haben in Automotive- und Industrie-Applikationen die größte Verbreitung. Welches aber ist das bessere?
Leitungsgeführte Störgrößen werden in differenzielle und Gleichtakt-Störungen unterteilt. Beide werden auf ähnliche Weise gemessen, aber mit unterschiedlichen Methoden in Schach gehalten. Während differenzielle Störgrößen aus der Stromänderungsrate (di/dt) resultieren, werden Gleichtakt-Störgrößen von der Änderungsrate der Spannung (dv/dt) erzeugt. Entscheidend für die EMI-Eigenschaften ist es, die parasitären Induktivitäten so gering wie möglich zu machen.
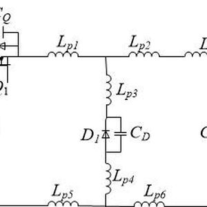
In Bild 3 ist eine Ersatzschaltung für einen Abwärtswandler dargestellt. Die meisten Designer wissen, wie man Lp1, Lp3, Lp4 und Lp5 so klein wie möglich machen kann, ignorieren aber Lp2 und Lp6. Ein U-förmiges Layout weist bei Lp2 und Lp6 eine niedrigere parasitäre Induktivität auf als ein I-förmiges Layout. Bei einem U-Layout sorgt eine kürzere Leistungs-Schleife für bessere EMI-Eigenschaften, wenn der MOSFET einschaltet.
Um herauszufinden, welches das beste Layout ist, müssen die EMI-Daten gemessen werden. Die Bilder 4 und 5 geben zum Vergleich die leitungsgeführten Störgrößen beider Layoutvarianten wieder. Wie man sieht, ist die EMI-Performance des U-förmigen Layouts besonders bei hohen Frequenzen besser als die des I-förmigen Layouts.
Das Hinzufügen eines Filters ist eine effektive Möglichkeit, die EMI-Eigenschaften zu verbessern. In Bild 6 ist ein vereinfachtes EMI-Filter zu sehen, das aus einem Gleichtaktfilter (Common-Mode, CM) und einem differenziellen Filter (Differential Mode, DM) besteht. Allgemein gilt, dass DM-Filter Störungen unterhalb von 30 MHz ausfiltern, CM-Filter dagegen Störgrößen zwischen 30 MHz und 100 MHz. Beide Filter wirken sich auf das gesamte Frequenzband aus, in dem die elektromagnetischen Störgrößen begrenzt werden müssen. Die Bilder 7 und 8 geben die leitungsgeführten Störgrößen mit einem CM- und einem DM-Filter wieder. Während das U-Layout hier die Vorgaben der Norm CISPR 25 erfüllt, überschreitet das I-Layout die Grenzwerte.
Wie man sieht, bringt es das U-förmige Layout auf eine bessere EMI-Performance als das I-förmige Layout. Lesen Sie hierzu auch den Applikationsreport „How SYNC Logic Affects EMI Performance for Dual-Channel Buck Converters”, der weitere Informationen zu diesem Thema enthält.
E-Fahrzeuge: Ohne unterschiedliche isolierte Gleichspannungswandler kein Erfolg
* Zejing Wang ist als Applications and Systems Engineer bei Texas Instruments tätig
(ID:45644467)