Maximale Leistung für E-Fahrzeug-Ladestationen der Stufe 3
Welche Varianten von Ladegeräten für E-Fahrzeuge gibt es? Welche Leistungsstufen existieren? Und welche Rolle spielen Vienna-Gleichrichter hinsichtlich leistungsstärkeren DC-Ladestationen der Stufe 3. Alle Antworten und Hintergründe lesen Sie hier.
Anbieter zum Thema

Damit möglichst viele Ladestationen errichtet werden können, muss deren Technik effizient und kosteneffektiv sein und überdies eine positive Nutzererfahrung bieten. Eine weitere Herausforderung hängt mit der Schaffung einer Ladeinfrastruktur zusammen, die nicht nur auf die heutige, meist auf Kurzstrecken beschränkte Nutzungsweise abgestimmt ist, sondern durch kürzere Ladezeiten als bei häuslichen Ladesystemen auch die Bedenken wegen der Ladezeiten bei längeren Fahrten ausräumen.
Die Typen von Elektrofahrzeug-Ladegeräten
Die Society of Automotive Engineers (SAE) definiert derzeit drei verschiedene Stufen von Ladestationen, die auch als Electric Vehicle Supply Equipment (EVSE) bezeichnet werden:
- EVSE der Stufe 1 nutzt herkömmlichen einphasigen Netzwechselstrom, wobei die Gleichrichtung im Fahrzeug erfolgt. Eine solche, relativ kostengünstige Ladestation kann ein komplett entladenes Elektrofahrzeug mit einer Batteriekapazität von 24 kWh in etwa 17 Stunden aufladen.
- EVSE der Stufe 2 basiert auf ähnlicher Technik wie Stufe 1, wird jedoch aus einem Drehstromanschluss gespeist, sodass sich die Ladezeit für ein vollständig entladenes Fahrzeug auf 7 Stunden verkürzt.
- EVSE der Stufe 3 schließlich unterscheidet sich von den Stufen 1 und 2 dadurch, dass sich die Gleichrichterstufe in der Ladestation befindet, sodass eine hohe Gleichspannung an die Batterie geführt werden kann, um die Ladezeit zu verkürzen. Kosten und Komplexität einer Station der Stufe 3 sind deshalb deutlich höher, aber dafür können diese Ladestationen zwischen 300 V und etwa 920 V bei maximal 500 A zur Verfügung stellen, was je nach der in der Batterie befindlichen Restenergie Ladezeiten von etwa 10 bis 30 Minuten ermöglicht. Während Ladestationen der Stufen 1 und 2 vorwiegend an privaten Installationen vorzufinden sein werden, wo die Fahrzeuge über Nacht aufgeladen werden, dürften die teureren DC-Schnellladestationen der Stufe 3 vorwiegend öffentlichen Einrichtungen vorbehalten und möglicherweise auch an Tankstellen zu finden sein.

Die Leistungsstufe
Der Wirkungsgrad, mit dem der Netzwechselstrom in den zum Laden der Fahrzeugbatterie benötigten Gleichstrom umgewandelt wird, gehört zu den kritischsten Aspekten einer Ladestation. Wichtig ist deshalb die Wahl einer Wandlertopologie, die bei der typischen Nutzungsweise der jeweiligen Ladestation möglichst effizient ist. Der Leistungsteil einer DC-Schnellladestation besteht in der Regel aus einem Gleichrichter und einem sich daran anschließenden Gleichspannungswandler. Auf beide wird nachfolgend genauer eingegangen.
Um dem hohen Leistungsniveau der Schnelladegeräte gerecht zu werden, ist der Gleichrichter als Leistungsfaktor-Korrekturstufe (Power Factor Correction, PFC) mit Drehstromeingang ausgeführt. Gängige Topologien hierfür sind ein Dreiphasen-PFC-Wandler in Totem-Pole-Schaltung oder ein PFC-Wandler auf Basis eines Vienna-Gleichrichters (Dreiphasen-Dreipunkt-Pulsgleichrichter). Von diesen beiden Topologien gewinnt letztere zusehends an Popularität. Gründe sind die zum Schalten angewandte Drei-Pegel-Implementierung, der höhere Wirkungsgrad, die geringere Spannungsbelastung der Bauteile und die höhere Leistungsdichte.
Auch bei den isolierten Gleichspannungswandlern gilt es verschiedene Optionen in Betracht zu ziehen. Die Beliebtheit von Resonanzwandlern (z. B. LLC) erklärt sich aus ihrer Fähigkeit zum Schalten im Spannungs- und Stromnulldurchgang (Zero Voltage Switching, ZVS bzw. Zero Current Switching, ZCS). Es gibt ferner verschiedene Ausführungen von LLC-Wandlern wie etwa Halb- und Vollbrücken-LLC-Wandler. In Anwendungen mit hohem Leistungs- und Spannungsniveau setzt man in der Regel den Vollbrücken-LLC-Wandler ein, weil er den Magnetkern besser nutzt und die Strom- und Spannungsbelastung der Bauteile geringer ist. In Betracht kommt ebenfalls eine phasenversetzt arbeitende LLC-Lösung, die bei höherer Leistung am Wandlerausgang weniger hohe Anforderungen an die Filter stellt.
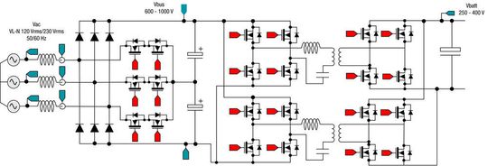
Zur Optimierung eines LLC-Wandlers für eine breite Spanne von Batteriespannungen ist eine variable PFC-Zwischenkreisspannung wünschenswert. Hierbei besteht jedoch die Herausforderung, dass sich durch eine variable Spannung am PFC-Ausgang die Belastung für die Leistungsbauteile erhöht. Hier kommt als Vorteil der Verwendung eines Vienna-Gleichrichters als PFC-Stufe zum Tragen, dass es sich bei ihm um eine Drei-Pegel-Topologie handelt, wodurch die Belastung der Leistungsschalter proportional geringer wird. Leistungsstarke High-End-DC-Schnellladesysteme der Stufe 3 werden deshalb oft als Kombination aus einem Vienna-Gleichrichter und einem phasenversetzt arbeitenden Vollbrücken-Resonanzwandler (LLC) ausgeführt. Der Grund für den Einsatz dieser kombinierten Topologie ist, dass es darauf ankommt, wie schnell die Energie aus dem Netz in die Batterie transferiert werden kann. Hier ist in aller Regel eine dreiphasige Lösung gefragt, wie sie in Bild 1 dargestellt ist.

Vienna-Gleichrichter für Ladestationen der Stufe 3
Wie im vorigen Abschnitt erläutert, wird EVSE der Stufe 3 oft mit einem dreiphasigen Vienna-Gleichrichter bestückt. Bei diesem Gleichrichtertyp handelt es sich um einen unidirektionalen, dreiphasigen Pulsweitenmodulations-Gleichrichter (PWM). Anders als Boost-PWM-Gleichrichter arbeitet die Vienna-Topologie mit einer Drei-Pegel-Modulation, was die Anforderungen an die Induktivitätswerte verringert und die Spannungsbelastung der Schaltbausteine halbiert. Dies wiederum kommt dem Wirkungsgrad und der Leistungsdichte zugute.
Wie sich gezeigt hat, kann dieser Wandlertyp einen Wirkungsgrad von 99 % oder mehr erreichen. Traditionell kamen in Vienna-Gleichrichtern hysteresebasierte Controller zum Einsatz, deren Design komplexer ist. Erst kürzlich ließ sich nachweisen, dass eine Sinus-Dreieck-basierte PWM-Lösung für die Steuerung von Vienna-Gleichrichtern geeignet ist. Mit der Entwicklung eines Durchschnittsstrom-Regelungsmodells konnte sich diese Gleichrichterbauart in Industrie- und Automobilanwendungen schneller durchsetzen. Gleichwohl ist das Design dieser Regelungsart möglicherweise recht anspruchsvoll, weil mehrere Regelkreise vorhanden sind, eine Feinabstimmung erforderlich ist und höhere Schaltfrequenzen erreicht werden.
Es gibt verschiedene Arten von Vienna-Gleichrichtern. Am populärsten ist jedoch die in Bild 2 gezeigte Variante mit Y-Verbindung.

C200 Echtzeit-Mikrocontroller für Vienna-Gleichrichter
Die Echtzeit-Mikrocontroller (MCUs) der Reihe C2000 sind eigens für Anwendungen in der Leistungselektronik konzipiert. Der TMS320F28004x eignet sich gut für Vienna-Gleichrichtertopologien wie in Bild 3, denn mit seinen Features und seinen Softwarebibliotheken lassen sich Vienna-Gleichrichtertopologien platzsparender, kostengünstiger und einfacher realisieren. Dazu diese Beispiele:
- Die Erzeugung der Ansteuersignale für die Leistungsbausteine des Vienna-Gleichrichters kann anspruchsvoll sein, besonders wenn die Schaltfrequenz zur Einhaltung der Platzbedarfs-Vorgaben größer als 100 kHz ist. Dank der Flexibilität des PWM-Moduls im C2000-Mikrocontroller lassen sich diese Signale jedoch einfach generieren.
- Die Signalerfassung ist ein wichtiger Aspekt für eine gute Regelung. Vorteilhaft ist hier, dass der schnelle und präzise A/D-Wandler der C2000-MCUs eine hochgenaue Abtastung und Messung gestattet, mit dem Resultat eines besseren THDi-Werts, der eine wichtige Spezifikation für PFC-Wandler darstellt.
- Ein weiterer Aspekt beim Design des Wandlers sind die Schutzfunktionen. Das integrierte Komparator-Subsystem (CMPSS) fasst ohne jegliche externen Schaltungen den Überstrom- und Überspannungsschutz zusammen, was in kleineren und kostengünstigeren Leiterplatten resultiert. Die flexible X-Bar-Architektur erlaubt ein schnelles und einfaches Kombinieren von Ereignissen aus mehreren Quellen (z. B. CMPSS und GPIOs), die Gatetreiber-Fehler signalisieren, ohne dass externe Logik oder Schaltungen benötigt werden.
- Mit der optimierten CPU (Central Processing Unit) ist eine zügige Verarbeitung der Regelschleife möglich. Die chipintegrierte Trigonometric Math Unit (TMU) sorgt für eine zügigere Verarbeitung trigonometrischer Operationen mit dem Resultat einer weiteren Beschleunigung der Regelschleifen-Verarbeitung und einer Senkung des insgesamt entstehenden MIPS-Bedarfs.
- Mit dem Control Law Accelerator (CLA) ist ein zweiter Rechenkern vorhanden, an den Regelkreis-Aufgaben von der Haupt-CPU (C28x) ausgelagert werden können, um mehr Bandbreite der C28x-CPU für andere Operationen und Aufgaben frei zu haben. Abgesehen davon kann der CLA als parallele Verarbeitungseinheit für eine beschleunigte Verarbeitung der Regelschleife herangezogen werden, sodass sich der Vienna-Gleichrichter mit höherer Schaltfrequenz betreiben lässt.
- Da zum Messen von Strom und Spannung AC-Signale erfasst werden müssen, ist zur Verwendung dieser Werte für die Regelung als erstes der DC-Offset zu entfernen. Auch wenn es sich nicht um AC-Signale handelt, kann das Beseitigen des DC-Offsets ein wichtiger erster Schritt zur Einhaltung der Spannungsregelungs-Anforderungen des Systems sein. Der ADC Post Processing Block (PPB) ermöglicht das automatische, hardwaremäßige Entfernen des Offsets aus dem erfassten Signal, sodass die Regelschleife einen signierten Registerwert direkt lesen kann. Dies spart die sonst im kritischen Pfad der Interrupt Service Routine (ISR) erforderlichen Zyklen zum Laden der Offsets und zu deren Subtraktion.
- Die Abstimmung der Regelschleifen ist für die Systemdesigner eine weitere Herausforderung, die recht zeitraubend sein kann. TI hat das SFRA-Tool (Software Frequency Response Analyzer) und das Compensation Designer Tool entwickelt, um das Abstimmen der Regelschleifen zu vereinfachen und den Designprozess zu beschleunigen.

Analog-Integration
Die meisten Leistungselektronik-Wandler benötigen Schutz vor Überstrom-Ereignissen. Bild 4 zeigt eine typische Möglichkeit, diesen Schutz für einen Kanal zu implementieren. Da es sich bei einem Vienna-Gleichrichter um eine dreiphasige Topologie handelt, werden mehrere Komparatoren und Referenzen benötigt. Allein zur Realisierung des Überstromschutzes für alle drei Phasen sind zwei Operationsverstärker und sechs Komparatoren erforderlich, neben weiteren Widerständen und Kondensatoren.


Bei C2000-MCUs wie dem TMS320F280049 ist dieser zusätzliche Schaltungsaufwand vermeidbar, denn dieser Baustein enthält als Bestandteil des CMPSS-Blocks chipintegrierte Fenster-Komparatoren, die intern mit dem PWM-Modul verbunden sind und ein schnelles Auslösen der PWM-Funktion ermöglichen. Der TMS320F280049 spart Leiterplattenfläche und ist kosteneffizient in der finalen Applikation, weil man auf diese On-Chip-Ressourcen zurückgreifen und ohne zusätzliche Bauelemente auskommen kann (Bild 6).

Bei der Entwicklung eines Vienna-Gleichrichters können bis zu fünf CMPSS im TMS320F280049 benötigt werden: drei zum Erfassen des Stroms in den drei Phasen und zwei für Messungen auf dem Gleichspannungs-Bus.
Beschleunigte Ausführung des Regelkreises
Die TMU des F280049 ist ein erweiterter Befehlssatz des DSP C28x, der zur effizienten Ausführung der trigonometrischen und arithmetischen Funktionen beiträgt, die in Regelungssystemen häufig benötigt werden. Ähnlich einem Gleitkomma-Befehlssatz, ist die TMU ein eng an die CPU angekoppelter IEEE-754-Gleitkomma-Rechenbeschleuniger. Während aber die Gleitkomma-Einheit universelle Unterstützung für Gleitkomma-Berechnungen bietet, ist die TMU auf die Beschleunigung mehrerer spezieller Trigonometrie-Operationen fokussiert, die sonst sehr zyklusintensiv wären. Es handelt sich bei diesen Operationen um die Funktionen Sinus, Cosinus, Arkustangens, Division und Quadratwurzel (Bild 7).

Für den Vienna-Gleichrichter bieten sich mehrere Regelungskonzepte an, und bei vielen dieser Konzepte kommt eine Regelungsstruktur auf der Basis eines rotierenden Referenzrahmens zum Einsatz. Diese Verfahren stützen sich in hohem Maß beispielsweise auf die dq0-Transformation, die sehr viele Sinus- und Cosinusberechnungen erfordert. Angesichts der höheren Schaltfrequenzen von Vienna-Gleichrichtern kommt es hier noch mehr darauf an, diese Routinen zügig zu verarbeiten. Zum Beispiel ist es im Gegensatz zu MCUs mit nur einer Gleitkomma-Einheit mit dem TMU-Befehlssatz möglich, einen Sinus-Befehl in vier Pipeline-Zyklen auszuführen, während es sonst bis zu 41 Zyklen wären.
Diese Verbesserung um einen Faktor von ungefähr 10 sorgt dafür, dass die TMU eine signifikante Verbesserung für die Regelungs-Algorithmen von Vienna-Gleichrichtern mit sich bringt. Darüber hinaus kann auch der ADC-PPB-Block Zyklen sparen, indem die Offset-Subtraktion per Hardware ausgeführt wird. Im Fall eines Vienna-Gleichrichters müssen zum Beispiel mindestens acht Signale erfasst werden, deren Offset zu subtrahieren ist (drei Spannungen und drei Ströme für den AC-Eingang und zwei Spannungen am Ausgangs-Bus). Zum Erfassen eines einzigen Signals aber ist es nötig, den ADC auszulesen, den Offset zu erfassen und zu subtrahieren sowie das Resultat zu skalieren und im Speicher abzulegen. All dies kann selbst mit optimiertem Assemblercode bis zu 12 Zyklen in Anspruch nehmen. Mit der PPB-Funktion aber lässt sich diese Zahl auf acht reduzieren, was bei der Ausführung dieser Operationen eine Verbesserung um 33 % bedeutet.
Die CPU-Auslastung durch die Verarbeitung der Regelschleife eines Vienna-Gleichrichters kann ebenfalls immens sein, müssen doch acht Signale eingelesen werden (Oversampling kann sogar noch mehr CPU-Bandbreite beanspruchen), abgesehen von der Ausführung von vier Reglern und dem Aktualisieren der PWM-Stufe. Selbst mit der TMU und der ADC PPB-Stufe für einen 50-kHz-Regelkreis auf einem 100-MHz-Baustein ergibt sich eine CPU-Auslastung von rund 47 %. Davon entfallen ca. 37 % auf die ISR der Haupt-Regelschleife (50 kHz) und etwa 8,5 % auf die Instrumentierungs-ISR (10 kHz).
Der CLA kann ein Auslagern dieser ISR aus dem C28x-Core ermöglichen. Der CLA (Typ 1) der Serie TMS320F2837x eignet sich zum Auslagern der schnelleren ISR, während der CLA des Typs 2 im F28004x beide ISRs übernehmen kann, wodurch sich die Auslastung der C28x-CPU auf null verringert.

Der CLA ermöglicht die Implementierung von Regelkreisen für Vienna-Gleichrichter mit bis zu 200 kHz durch Parallelverarbeitung auf 100-MHz-Bausteinen wie dem F280049. Bei einem mit mehr als 200 MHz getakteten Baustein beispielsweise aus der Serie TMS320F2837x sind sogar Regelkreis-Frequenzen bis zu 400 kHz möglich, auch wenn der Code für den Regelungs-Algorithmus in C geschrieben ist. Mit Assemblercode sind mit den Echtzeit-MCUs der C2000-Serie sogar noch höhere Regelkreis-Frequenzen erzielbar.
Einfachere Regelkreis-Abstimmung
Der Software Frequency Response Analyzer (SFRA) ist eines von drei Tools in der powerSUITE mit Software-Werkzeugen für das Design digitaler Stromversorgungen auf C2000-MCUs. Der SFRA enthält eine Softwarebibliothek, mit der sich der Frequenzgang der Spannungs- und Stromregelkreise eines digitalen Leistungswandlers schnell messen lässt. Zur SFRA-Bibliothek gehören Softwarefunktionen, die eine Frequenz in den Regelkreis injizieren und die Reaktion des Systems mithilfe des chipintegrierten A/D-Wandlers (ADC) der C2000-MCU messen. Mit diesem Verfahren lassen sich der Frequenzgang und der ungeregelte Frequenz- und Verstärkungsgang des geregelten Vienna-Systems erfassen.
Der ungeregelte Frequenz- und Verstärkungsgang kann auf einer PC-basierten grafischen Benutzeroberfläche (GUI) dargestellt werden, und sämtliche Frequenzgang-Daten werden als CSV-Datei (Comma-Separated Values) bzw. optional als Excel-Tabelle exportiert, um sie für das Design der Kompensationsschleife mithilfe von Compensation Designer heranzuziehen. Vorteilhaft hieran ist, dass man keinen hardwaremäßigen Frequenzgang-Analyzer benötigt, der zusätzlichen Zeitaufwand zum Einrichten und für die eigentlichen Messungen verursachen würde. Stattdessen lässt sich der Vienna-Gleichrichter vollständig per Software abstimmen. Auf der GUI des SFRA (Bild 9) können die Bandbreite, die Verstärkungsreserve und die Phasenreserve aus einem Frequenz-Sweep abgelesen werden.

Phasenversetzt arbeitender LLC-Resonanzwandler (für Ladesysteme der Stufe 3)
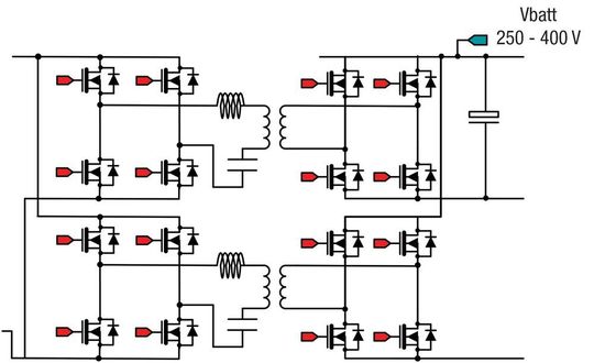
In vielen Fällen werden isolierte Gleichspannungswandler für EVSE der Stufe 3 als zweiphasige, phasenversetzt arbeitende Vollbrücken-LLC-Resonanzwandler realisiert. Das hohe Performance-Niveau von Vollbrücken-LCCs in Bezug auf den Wirkungsgrad, die Leistungsdichte usw. erfüllt die Anforderungen verschiedener Leistungsklassen kombinierter Ladesysteme (CCS) zwischen 300 V und 1.000 V, sodass diese Wandler eine gute Wahl für Hochleistungs-Anwendungen darstellen. Bild 10 zeigt ein Schema der Vollbrücken-LLC-Resonanztopologie.

C2000 Echtzeit-MCUs für phasenversetzt arbeitende Vollbrücken-LLC-Resonanzwandler
Man kann auch die TMS320F28004x-MCUs für phasenversetzt arbeitende Vollbrücken-LLC-Resonanzwandler einsetzen, die mit der neuesten (vierten) Generation des PWM-Moduls der C2000-Familie ausgestattet sind. Zwei hauptsächliche Features dieses Moduls können dazu beitragen, die Effizienz eines Vollbrücken-LLC-Wandlers zu verbessern:
- Globale One-Shot-Reloadfunktion zum Generieren phasenversetzter PWM-Wellenformen variabler Frequenz.
- Stromausgleich zwischen den versetzten Phasen
Erzeugung frequenzvariabler PWM-Wellenformen
LLC-Resonanzwandler sind frequenzvariable Wandler, deren PWM-Frequenz sich während des Betriebs häufig ändert. Im Interesse eines zuverlässigen Betriebs muss verhindert werden, dass es bei Frequenzänderungen zu Glitches oder einem unregelmäßigen PWM-Verhalten kommt. In Anwendungen mit hohen Ausgangsströmen, die eine Isolation zwischen Eingang und Ausgang erfordern, ist es gängige Praxis, auf der Sekundärseite des Isolations-Übertragers mit der Synchrongleichrichtung (SR) zu arbeiten. Beim SR-Verfahren kommen zusätzliche Leistungselektronik-Bausteine zum Einsatz, die mit wechselnden Frequenzen schalten.
Ladestationen der Stufe 3 verlangen nach Wandlern mit mehreren, versetzt zueinander arbeitenden Phasen. In diesen „Interleaved“-Wandlern ist die Zahl der mit variablen Frequenzen schaltenden Bausteine sogar noch größer, und so sind bei sämtlichen Betriebsfrequenzen feste Phasenbeziehungen zwischen den verschiedenen Phasen erforderlich. Unter allen Betriebsbedingungen und bei wechselnden Frequenzen die Generierung korrekter PWM-Wellenformen zu garantieren, ist für den Controller eine große Herausforderung, denn die zum Aktualisieren der PWM-Parameter verfügbare Zeitspanne wird umso kürzer, je höher die Schaltfrequenzen werden und je größer die Zahl der Phasen ist. Lässt man mehrere Resonanzwandler-Phasen versetzt zueinander arbeiten, muss außerdem unbedingt sichergestellt werden, dass die Ströme in den einzelnen Phasen mit hoher Genauigkeit aufeinander abgestimmt werden. Ein unzureichender Stromausgleich zwischen den Phasen oder die Erzeugung unkorrekter PWM-Wellenformen kann zu einem Ausfall des Wandlers führen und erhebliche Schäden am System insgesamt oder an seinen Bauteilen nach sich ziehen.
In Bild 11 ist zu sehen, wie die fehlgeschlagene Aktualisierung einer PWM-Periode zu einem Wandlerausfall führen kann. Die im C2000 gewählte Implementierung eines globalen One-Shot-Reloads ist ein entscheidender Mechanismus, um eine korrekte Erzeugung der PWM-Wellenformen sicherzustellen. Global One-Shot Reload stellt sicher, dass alle Aktualisierungen von Tastverhältnis, Phase und Totband in demjenigen Schaltzyklus wirksam werden, in dem die neue Frequenz benötigt wird, sodass in allen Phasen für einen sauberen Übergang von einer Frequenz zur anderen gesorgt ist. Würde man stattdessen einen Universal-Timer ohne One-Shot- und Global-Reload-Funktion verwenden, wäre die maximal erreichbare Schaltfrequenz begrenzt, da zur Vermeidung von Phasensynchronisations-Problemen mehr Zyklen investiert werden müssten. Dies gestaltet sich außerdem umso schwieriger, je mehr Phasen hinzugefügt werden.

Ein Beispiel soll diese Aussagen verdeutlichen. Unter der Annahme, dass alle PWM-Module stets miteinander in Phase sein müssen, dass es insgesamt 16 PWM-Ausgänge gibt und dass alle globalen Register verwendet werden, lässt sich potenziell eine Einsparung von 142 zeitkritischen Zyklen erreichen. (Die genaue Zahl der eingesparten Zyklen hängt von der Auslastung ab.) Die geringere Zahl der Zyklen ermöglicht wiederum das Generieren höherer Schaltfrequenzen.
Ausgleich der Phasenströme
Werden zwei oder mehr identische Vollbrücken-LLC-Resonanzwandler phasenversetzt betrieben, haben jegliche Unterschiede zwischen ihren Schwingkreisschaltungen eine ungleiche Verteilung des Laststroms auf die einzelnen Phasen zur Folge. Eine ungleiche Lastverteilung aber ist in phasenversetzten Resonanzwandlern ein erhebliches Problem, da sie den Wirkungsgrad des Systems sowie seine Zuverlässigkeit und seine thermische Stabilität beeinträchtigt. Die Folge können hohe zirkulierende Ströme, ein höherer Welligkeitsstrom im Ausgangskondensator und sogar ein Ausfall des Wandlers mit beträchtlichen Schäden am System sein. Da selbst kleine, auf Bauteil-Toleranzen zurückzuführende Unterschiede zu gravierenden Ungleichgewichten zwischen den Phasen führen können, müssen phasenversetzt arbeitende Resonanzwandler mit einer Möglichkeit ausgestattet werden, den Laststrom gleichmäßig auf die verschiedenen Phasen zu verteilen, damit ein sicherer, zuverlässiger und effizienter Betrieb sichergestellt ist.
Eine Möglichkeit ist es, die Schwingkreise mit sehr engen Toleranzen zu implementieren, jedoch führt dies zu erheblichen Kostensteigerungen. Außerdem können, wie eben erläutert, selbst geringste toleranzbedingte Differenzen zu Ungleichgewichten zwischen den Phasen führen. Diese Lösung mag also in bestimmten Anwendungen zielführend sein, doch in den meisten Fällen ist sie nicht praktikabel. Einige Lösungen streben eine Anpassung der Schwingkreise in den verschiedenen Phasen an, indem die Schwingkreis-Schaltungen in einigen oder allen Phasen durch zusätzliche reaktive Bauelemente ergänzt werden. Auch dieses Konzept hat jedoch seine Nachteile. Nicht nur die Kosten und die Abmessungen des Systems erhöhen sich, sondern auch die Produktionskosten können zunehmen, wenn in der Fertigung zusätzliche Abgleichmaßnahmen erforderlich sind. Neuere Vorschläge bauen dieses Konzept weiter aus, indem versucht wird, die Schwingkreise im laufenden Betrieb anzupassen. Hierzu werden zusätzliche Schalt-Halbleiter hinzugefügt, um den Schwingkreisen einiger oder aller Phasen mehr Induktivitäten oder Kapazitäten zuzuschalten. Tatsächlich ist diese Methode eine gute Möglichkeit zum präzisen Anpassen der Schwingkreise, jedoch müssen hierfür höhere Systemkosten, größere Abmessungen, mehr Komplexität und eine mögliche Verringerung des System-Wirkungsgrads in Kauf genommen werden.
Wieder andere Vorschläge sehen das Hinzufügen weiterer Wandler an einer zusätzlichen Wicklung einiger oder aller LLC-Übertrager vor. Diese weiteren Wandler werden dann so gesteuert, dass sie den von den anderen Phasen getragenen zusätzlichen Strom kompensieren. Diese Methode ist allerdings mit den gleichen Nachteilen behaftet wie die zuvor erwähnten Lösungen und bedingt außerdem eine komplexere Übertragerkonstruktion.
Der Mikrocontroller TMSF28004x dagegen kann Strom- oder Phasenausgleichs-Techniken softwaremäßig und ohne zusätzliche Bauteile oder Schaltungen umsetzen. Dieses neue Design ist damit ein Beispiel für die Vorteile, die mit den weitreichend konfigurierbaren PWM-Modulen der C2000-MCUs möglich werden. Bei dieser Implementierung sorgt eine Stromausgleichs-Schleife in der Software dafür, dass das PWM-Tastverhältnis der Schalter in den Phasen mit höherem Strom entsprechend reduziert wird. Außerdem passt der Controller auch das PWM-Timing der zugehörigen SR-Schalter der betreffenden Phase an.
Der C2000-Mikrocontroller TMS320F280049
Unter der Bezeichnung F28004x gibt es in der MCU-Familie C2000 eine neue Serie (Bild 12), die speziell für Leistungsregelungs-Anwendungen vorgesehen ist. Folgendes bietet die F28004x-Serie:
- 100 MHz CPU-Taktfrequenz mit der Option eines zusätzlichen, parallel mit ebenfalls 100 MHz arbeitenden Control Law Accelerators (CLA) der neuesten Generation.
- Fortschrittliche Echtzeitsteuerungs-Beschleuniger wie etwa TMU, Gleitkommaeinheit und Viterbi-Einheit (komplex).
- Bis zu sieben integrierte CMPSS-Module.
- Drei Hochleistungs-ADCs mit Nachverarbeitungs-Block, PGAs (Programmable Gain Amplifiers) und einem flexiblen Komparator-Subsystem.
- Flexible Timer: ePWM-Module (enhanced Pulse-Width Modulator) der vierten Generation mit 150 ps Auflösung, der Fähigkeit zum Generieren komplexer Wellenformen sowie fortschrittlichen Synchronisations-Fähigkeiten.
- Bis zu 256 KB integrierter Flash-Speicher.
- 100 KB Full-Speed-RAM.

Referenzdesigns für einen C2000-basierten Vienna-Gleichrichter und einen phasenversetzten LLC-Resonanzwandler
Weitere Informationen über die Implementierung eines Vienna-Gleichrichters und eines phasenversetzten, isolierten LLC-Resonanzwandlers für Ladestationen auf der Basis von C2000 Echtzeit-Mikrocontrollern finden Sie in den Referenzdesigns für eine auf einem Vienna-Gleichrichter basierende, dreiphasige PFC-Schaltung mit C2000-MCU(s) und für einen zweiphasigen, phasenversetzt arbeitenden LLC-Resonanzwandler ebenfalls mit C2000-MCUs. Das letztere Design basiert auf einer Halbbrücke, jedoch lassen sich viele der in dem Referenzdesign verwendeten Techniken auch für Vollbrücken-Implementierungen nutzen.
Fazit
Infolge der wachsenden Nachfrage nach leistungsstärkeren DC-Ladestationen der Stufe 3 gewinnen Topologien wie der Vienna-Gleichrichter mit phasenversetzten LLC-Wandlern zur Implementierung dreiphasiger AC/DC-Wandler immer mehr an Bedeutung. Die neuen C2000 Echtzeit-Mikrocontroller der Serie F28004x erweitern das reichhaltige Portfolio optimaler C2000-Lösungen, die Ingenieuren bei der Bewältigung von Herausforderungen beim Design der hier beschriebenen Schaltungen, aber auch anderer fortschrittlicher Leistungs-Topologien helfen.
* Sang Chon ist als Automotive Marketing Manager, Manish Bhardwaj und Hrishi Nene als Digital Power Applications Engineer tätig. Alle drei arbeiten für Texas Instruments.
(ID:45541216)